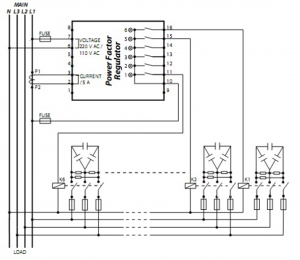
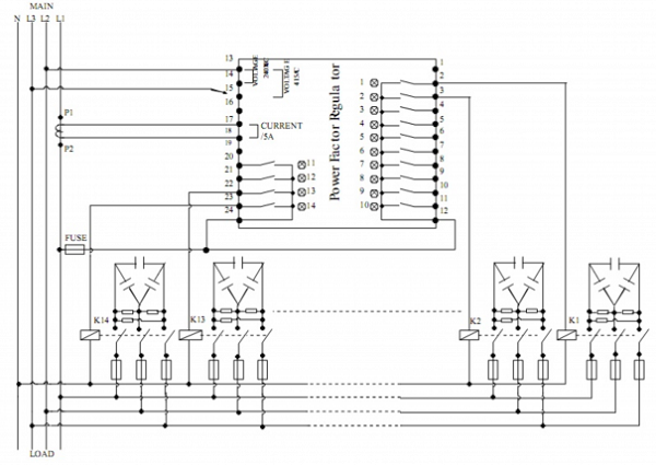
Phương pháp đấu nối tụ bù 3 pha
8/10/2018 3:46:51 PM
Loại tụ bù 3 pha sử dụng được cho rất nhiều loại điện áp khác nhau, tuy nhiên phổ biến nhất vẫn là loại điện áp 415V cùng với 440V. Loại tụ bù này được sử dụng rất nhiều ở trong hệ thống điện lưới của các công trình xây dựng lớn như là cao ốc, bệnh viện và chung cư hoặc là sử dụng ở trong những nhà máy và khu công nghiệp,.. Chính vì thế mà việc đấu nối tụ bù cũng là rất quan trọng và tùy theo từng trường hợp thì sẽ có được phương pháp đấu lắp theo các sơ đồ khác nhau.
– Độ nhạy: Thông số này đã được thiết lập với tốc độ đóng cắt. Độ nhạy lớn và tốc độ đóng cũng sẽ chậm và ngược lại thì độ nhạy nhỏ cùng với tốc độ cắt cũng sẽ nhanh. Độ nhạy này thường có hiệu ứng cho cả thời gian đóng cũng như là cắt tụ. Độ nhạy sẽ bằng 60s/ bước
– Thời gian đóng sẽ được lặp lại : Đây cũng chính là khoảng thời gian an toàn để có thể ngăn chặn được việc đóng lại tụ bù 3 pha của cùng một cấp khi mà tụ này vẫn chưa xả điện một cách hoàn toàn. Những thông số này thường sẽ đặt lớn hơn khoảng thời gian xả của loại tụ lớn nhất cũng đang được sử dụng.
– Cấp định mức đó chính là bước tụ nhỏ nhất khi sử dụng.
– Độ méo dạng của tổng do sóng hài :
Hiện tượng bù thừa công suất phản kháng đó là bù thừa cho công suất phản kháng Q: dòng điện cũng sẽ nhanh pha hơn so với điện áp. Hệ thống tải thì sẽ mang tính dung. Tổng trở đối với những thành phần dòng điện mà có tần số cao sẽ giảm. Vì thế sẽ làm tăng ảnh hưởng của những thành phần sóng hài bậc cao.
- Trường hợp 2: Tín hiệu của dòng điện được lấy trên 1 pha và còn tín hiệu điện áp dây cấp cho rơ le sẽ lấy trên 2 pha còn lại.
- Vị trí để lắp đặt biến dòng: Biến dòng sẽ lấy tín hiệu khi đưa vào rơ le điều khiển tụ bù 3 pha cần phải bao gồm cả dòng điện của tải cùng với dòng điện qua tụ. Nên lắp đúng théo cực tính của biến dòng: dòng sơ cấp khi đi vào K thì sẽ đi ra L, các tín hiệu dòng thứ cấp cực K và L của biến dòng được nối với cực K, L của rơ le (mặc dù đa số những rơ le cũng có thể tự động chọn lựa được cực tính).
Tủ hạ thế cũng có rất nhiều xuất tuyến thì các biến dòng cần phải lắp ở cáp liên lạc.
Hotline: 024.62931399 - 0986323388
Email: Tbdbinhan@gmail.com
Website: www.Thietbidien247.com.vn
Phương pháp đấu tụ bù 3 pha
Các tham số quan trọng PFR
– Các hệ số công suất đặt (Set cosφ): thường sẽ nằm ở trong khoảng 0,92 cho đến 0,95.(Hệ số công suất phản kháng sẽ nhỏ hơn 0.8 doanh nghiệp sẽ phải chịu phạt từ chính công ty điện lực).– Thời gian đóng sẽ được lặp lại : Đây cũng chính là khoảng thời gian an toàn để có thể ngăn chặn được việc đóng lại tụ bù 3 pha của cùng một cấp khi mà tụ này vẫn chưa xả điện một cách hoàn toàn. Những thông số này thường sẽ đặt lớn hơn khoảng thời gian xả của loại tụ lớn nhất cũng đang được sử dụng.
– Cấp định mức đó chính là bước tụ nhỏ nhất khi sử dụng.
– Độ méo dạng của tổng do sóng hài :
Hiện tượng bù thừa công suất phản kháng đó là bù thừa cho công suất phản kháng Q: dòng điện cũng sẽ nhanh pha hơn so với điện áp. Hệ thống tải thì sẽ mang tính dung. Tổng trở đối với những thành phần dòng điện mà có tần số cao sẽ giảm. Vì thế sẽ làm tăng ảnh hưởng của những thành phần sóng hài bậc cao.
Đấu đúng theo sơ đồ
- Trường hợp 1: Tín hiệu của dòng điện cùng với điện áp pha cấp dành cho rơ le thì cần phải cùng 1 pha.


Bình An đơn vị phân phối tụ bù 3 pha chất lượng
Công Ty TNHH Sản Xuất và Thương Mại Thiết Bị Điện Bình An là một trong các đơn vị hàng đầu tại Việt Nam chuyên cung cấp cá dòng sản phẩm tụ bù 3 pha, tụ bù Mikro, tụ bù epcos với chất lượng cao mà giá thành hợp lý. Mọi thông tin chi tiết về dòng sản phẩm xin mời các bạn liên hệ với chúng tôi qua :Hotline: 024.62931399 - 0986323388
Email: Tbdbinhan@gmail.com
Website: www.Thietbidien247.com.vn
Bài viết khác:
- - Phân biệt cuộn kháng lọc sóng hài 6%, 7% và 13% trong hệ thống điện
- - Những thiết bị điện được sử dụng nhiều nhất hiện nay
- - Kinh nghiệm mua đồng hồ vạn năng chất lượng
- - Rơ le bảo vệ điện và những công dụng quan trọng
- - Cảm biến nhiệt trong công nghiệp - Mua cảm biến nhiệt chất lượng
- - Cảm biến nhiệt chất lượng cao, giá tốt nhất thị trường
- - Có những loại thiết bị bảo vệ hệ thống điện nào?
- - Nên mua loại tụ bù nào để có được chất lượng tốt nhất?
- - Những lý do nên mua thiết bị điện tại Bình An
- - Các loại cảm biến nhiệt được sử dụng phổ biến hiện nay







